CS625
-
亮点
-
参数
-
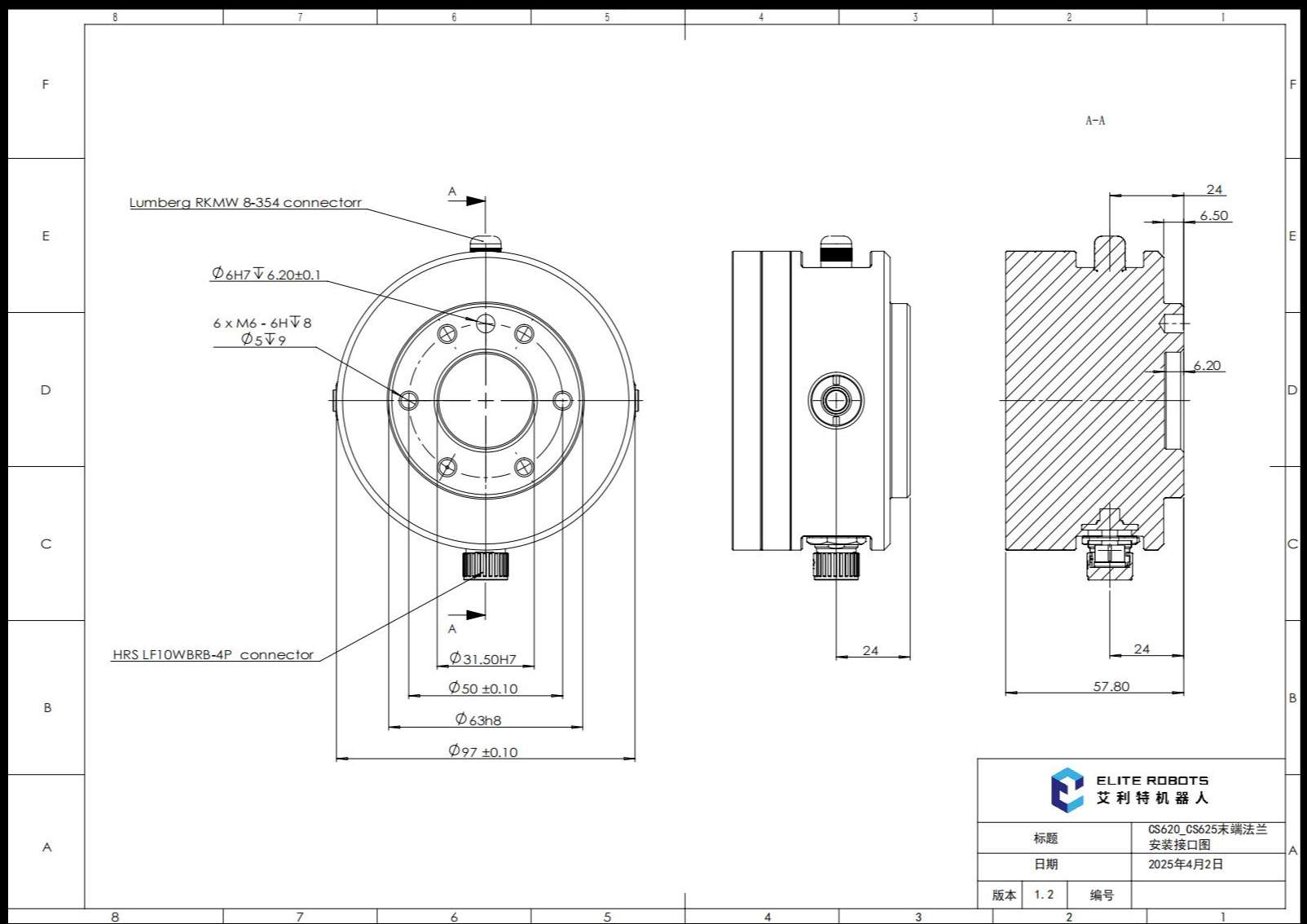
图纸
-
控制箱/示教器/示教软件
-
相关资源
-
相关产品
产品参数
-
技术参数
-
关节参数
-
物理参数及认证
-
配件型号
-
名称 参数 自由度 6 负载 25kg 工作半径 1500mm 重复定位精度 ±0.05mm 典型功耗 625W 安装方式 任意角度 工具I/O 4xDO/4xDI(可配置) 、1xAI 、1xAO 工具I/O供电 接口1:12V/24V,3A(三针模式),2A(双针模式),1A(单针模式); 接口2:24V,5A 工具通信 RS485、CAN(预留)
-
关节运动范围 关节最大速度 基座 ±360° 125°/s 肩部 ±360° 125°/s 肘部 ±360° 150°/s 腕部1 ±360° 210°/s 腕部2 ±360° 210°/s 腕部3 ±360° 210°/s 工具最大速度 3.3m/s 3.3m/s
-
名称 参数 自重 58kg 底座直径 Φ240mm IP防护等级 IP68 工作环境温度 -10℃ ~ 50℃ 工作环境湿度 90%相对湿度(非冷凝) 材料 铝合金、钢、塑料、橡胶 标准线缆长度 5.5m 产品认证 ISO 10218-1、ISO 13849、 ISO/TS 15066、RoHS、CE、UL、SEMI、洁净度ISO CLASS 5
-
名称 参数 控制箱 ERB2C2K0 / ERB2C2K0N / ERB1C4K0MNE 示教器 ERP400 全能示教器(选配) ERP400S